
Product Center
明銳在線AOI——V5000系列 ,適 用于SMT爐 前爐后的高精度 、高速度在線檢查,擁行業領先的定位技術及矢量特征檢測算法 。
設備介紹
產品特點

● 全系采用大理石平臺及遠心鏡頭
● 算法邏輯功能強大,造就強大的焊點檢查能力
● 板彎自動補償,可應對柔性板及因高溫變形的電路板
● 豐富的SPC 檢測數據分析,有助于改善并提升工藝品質
產線方案

檢測實例


技術優勢

▲ 元件級焊盤定位+ FOV輔助定位技術
● 對于柔性板采用元件級焊盤定位,有效解決板彎變形帶來的誤報及漏報;對非柔性板采用FOV整體
定位,可無視板上絲印、印制線等的干擾,輕松實現焊盤定位,保障檢測準確性;
● 解決無外露焊盤元件(BGA等)或被部分遮擋元件難定位的問題。

▲ 虛焊檢查
在精準定位焊盤的基礎上,利用特征組合算法,能對焊點虛焊進行有效檢出。

▲ 基于焊盤定位技術,檢測參數直接對接IPC標準
檢測標準能與IPC對接,檢測結果有依據。
偏移: IPC-A-610-GClass3 元件焊端偏出焊盤部分超過焊端寬的25%時不可接受。
特色功能
■ 三點照合 SPI、爐前AOI、爐后AOI三個設備的連線處理,快速定位 缺陷的根本原因。 | ■ 掃碼自動換線 通過識別PCB 條碼自動調寬并調用程序,無需人工參與, 同時支持MES指令實現。 | |
■ SPC 預警 實時監測產線生產質量,及時反饋異常狀況,防止批量不良流出。 |
| ■ 重大不良防呆 有效防止關鍵元件及關鍵不良流出。 |
■ 輸出整圖 測試結束時輸出整板圖像,包含有元件區及無元件區,滿足后期質量 追溯需求。 | ■ 分級維修站 一對多的集中復判與集中維修,提高復判效率及返修效率。 |
規格參數
設備型號 | V5000(單軌) | V5000D(雙軌) | V5000XL(加大單軌) | V5000DL(加大雙軌) | |
影像系統 | 相機 | 5MP/12MP工業相機 | |||
分辨率 | 5MP相機:15μm、10μm;12MP相機:15μm、12μm、10μm、6.3μm | ||||
FOV | 37*30mm(5MP,15μm);60*45mm(12MP,15μm) | ||||
鏡頭 | 遠心鏡頭 | ||||
光源 | 4色環形程控LED光源(RGBW) | ||||
運動機構 | X/Y運動 | AC伺服 | AC伺服雙驅 | ||
基臺 | 大理石 | ||||
軌道調寬方式 | 自動調整 | ||||
軌道型式 | 皮帶 | ||||
進板流向 | 左至右或右至左(出廠前設定) | ||||
固定軌 | 單軌:1軌固定;雙軌:1軌固定(可設1、3或1、4固定) | ||||
硬件配置 | 操作系統 | win 10 | |||
通信方式 | Ethernet,SMEMA | ||||
電源 | 單相220V,50/60Hz,5A | ||||
氣壓 | 0.4-0.6Mpa | ||||
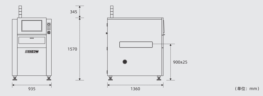
軌道高度 | 900±25mm | ||||
機器尺寸 | L935*D1360*H1570mm(不含燈) | L1125*01360*H1570mm(不含燈) | |||
重量 | 900kg | 950kg | 1100kg | 1150kg | |
檢查PCB規格 | 尺寸 | 50*60-510*610mm | 雙軌啟用:50*60-510*320mm 單軌啟用:50*60-510*580mm | 50*80-675*610mm | 雙軌啟用:50*80-675*320mm 單軌啟用:50*80-675*560mm |
厚度 | 0.6-6.0mm | ||||
板重 | s3kg | ||||
凈高 | 上凈高25-60mm可調,下凈高45mm | ||||
板邊 | 3.0mm | ||||
檢查項目 | 元件類 | 錯件,缺件,極性,偏位,翻件,破損,IC彎腳,異物,立碑等 | |||
焊錫類 | 無錫,少/多錫,虛焊,橋接,錫球等 | ||||
檢查元件 | Chip:03015及以上;L5I:0.3mm間距及以上;其他:異型元件 | ||||
檢查速度 | 180-200ms/FOv | ||||
外形尺寸

Copyright ? 2022 深圳市富思邁科技有限公司 版權所有 粵ICP備11085095號
技術支持:01THINK


